Sicherheitsgurte vorne Golf 1 Cabrio immer verdreht

  • Hallo Kollegen ,

    weiß einer von Euch , ob es bei den original Gurten links und rechts gab ? . Ich habe schon Alles versucht , aber beide Gurte sind immer verdreht . Irgendwie stimmt der Gurt selber nicht , selbst wenn ich das Schloss drehe ist der Gurt verdreht . Ich habe mich schon zum Affen gemacht .

    Da der Vorgänger die ganze Inneneinrichtung überholt bzw. erneuert hat , ist mir der Gedanke gekommen , ob er vielleicht links und rechts vertauscht hat . Für den normalen 1 er gab es zwei verschiedene Gurte , VW Teilenummer ....... AS links AH rechts .

  • Hier mal ein paar Bilder wie es sein sollte.

    Ob es links und rechts gab weiss ich nicht...

  • Hi,

    du hast bestimmt Gurte vom originalen 1ser drin. Ne Freundin von mir hat auch das Problem. Auf ihren Gurten steht 171 ... , also golf 1. Meine roten sind auch für den orig. 1ser, die muste ich auch drehen.

    LG Nicky

    sigpic:baeh:image.png

  • Ich hatte das auch mal, es lag nicht am Schloss, sondern oben an dieser Führung, der Gurt lag falschrum drin.


    ²³

    Das Leben ist eine Reise, die heimwärts führt. Man sieht die Sonne langsam untergehen


    und erschrickt doch, wenn es plötzlich dunkel ist.  :sarg: :facepalm: :cry:

  • Aber jetzt mal im Ernst :D


    Ich habe nicht nur einmal das Phänomen gehabt das der Gurt sich im Anschnaller verdreht hat und einer versuchte mit Gewalt (was normal gar nicht geht) den Gurt wieder zurückzudrehen. Dabei war das Gurtschloß dann verkehrt herum. Und nun probier mal mit ABSICHT das Ding ERNEUT umzudrehen - das ist einfach ein extrem undankbarer Job ||

  • Hier mal Bilder , wie es bei mir ist . Gurtschlösser habe ich auf beiden Seiten schon zweimal gedreht, dass ist eine geile Arbeit <X . Die Beifahrerseite treibt mich noch in den Wahnsinn , da stimmt Nichts !!!! .

    Einmal editiert, zuletzt von markus.e ()

  • Ich hatte das auch mal, es lag nicht am Schloss, sondern oben an dieser Führung, der Gurt lag falschrum drin.


    ²³

    Wenn ich es in der Führung drehe ( habe ich schon versucht ) , stimmt es zwischen Aufwickler und der oberen Führung nicht . Ich habe die obere Führung auch schon gelöst und mit Überschlagen probiert, auch keinen Erfolg. Die Befestigung unten , neben dem Sitz , kann man auch nicht um 180 Grad drehen , dann könnte es auf der Beifahrerseite stimmen

  • servus

    aus der ferne sage ich die beifahrereite ist ok nur die gurtzunge 180 Grad verdreht

    ist der gurt richtig wenn die zunge nach innen zum bauch und nicht zum gurtschloss zeigt?


    dann

    gurt leicht schraeg uebereinder doppelt legen

    releativ flacher winkel

    zunge darueber ziehen

    danach steht sie 180 grad gedreht und nicht mehr zum bauch sondern zum schloss

  • Fahrerseite ist doch auch falsch oder??

    so macht man das

    rolle und umlenkung montieren

    peitsche am einstieg so montieren dass gurt richtig läuft ueber oberkörper und unten


    dann wenn noetig die gurtzunge am gurt drehen siehe oben

    dauert 5 minuti

  • Genau wie auf den Bildern von Baengel ist es richtig. Bei der Rolle und dem Umlenker kann man sowieso nichts falsch machen. Die Zunge muss mit der Metallseite in Richtung B-Säule zeigen und die Endpunkte die am Schweller montiert werden müssen um 90° gedreht werden. Fahrerseite im Uhrzeigersinn und Beifahrerseite gegen der Uhrzeigersinn. Die 90° Drehung für den Endpunkt gibt der Gurt vor, sonst ist er nicht korrekt montierbar.

    8er Loch bohren: 2er Bohrer + 6er hinterher!

  • Wenn ich es mit den Bildern von Baengel vergleiche , stimmt die Fahrerseite . Beifahrerseite stimmt nicht . Befestigung im Türschweller scheint falschrum zu sein . Muss mal sehen , ob ich die drehen kann . Es ist ja eine Rückholfeder auf der Innenseite.

  • Wenn du den Gurt unten am Schweller löst und einfach nur verdrehungsfrei hängen lässt, zeigt die Rückholfederseite des Gurtes in Richtung Schweller. So darf der Gurt natürlich nicht montiert werden. Ausgehend von dieser Position musst du den Gurt um 90° drehen. Entweder im Uhrzeigersinn oder andersrum je nach Fahrzeugseite. Bei einer Drehung in die falsche Richtung entsteht das Problem. Wenn dann der Gurt erstmal verdrehungsfrei anliegt, kannst du ggf. noch die Zunge drehen, falls diese plötzlich nicht mehr in Richtung Gurtpeitsche zeigt.

    8er Loch bohren: 2er Bohrer + 6er hinterher!

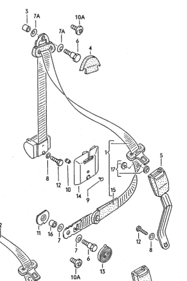
  • Hat einer von euch zufällig eine Übersicht , wie die Schwellerseite verschraubt ist ? . Ich habe die Beifahrerseite gelöst und da liegt da eine Feder ( kommt auf die Schraube ) , 2 Kunstoffscheiben , 1 Distanzscheibe und ein Blech .

    Wie gehört das zusammengebaut ? . Ich finde keine Übersichtszeichnung oder sowas in dieser Art . Fahrerseite will ich nicht auch noch zerlegen , nicht das mir da auch noch Alles entgegen fällt :)

  • Erstmal Danke für die Hilfe .

    Gurte stimmen jetzt . Ursache : auf der Beifahrerseite war die Befestigung am Schweller falsch angebaut und das Gurtschloss verdreht .


    Wo ich jetzt evtl. nochmal Rat bräuchte : Die Federkraft (Einrollen ) auf der Fahrerseite ist nicht mehr so prall nach fast 30ig Jahren . Kann man da etwas machen , dass er wieder besser aufrollt ? .

  • Du kannst erst mal versuchen den Gurt mit Silikonspray und einem Lappen zu behandeln. Hat bei mir viel gebracht. So werden die feinen abstehenden Fasern die mitverantwortlich für schlechtes Aufrollen sind umgelegt und geschmiert.

    PS: Gibt keine Flecken auf der Kleidung ;)