Beiträge von golf-open-fan
-
-
Moin.
MarCus mit C bitte.
Danke, die Links kannte ich, in der Bucht die Hälfte.
€60 finde ich krass, das bezahle ich nicht mal für eine Anleitung für einen Käfer aus den 50ern.
Die sind zwar dünner, aber Sau selten.
MarCus ist gebongt! Mein Fehler!
Mia culpa!
Hartmuth
-
In Zukunft immer mal ein Auge auf den Öldruck werfen und abgleichen mit den jetzigen Werten bzw ob sich was ändert....besonders wenn warm !
Du hattest mit dem alten Motor ja mal einen Lagerschaden gehabt.
Und sowas kann man am Öldruck erkennen....der lässt dann rapide nach !
Das ist richtig; ich habe ja auch einen VDO Öldruckmesser in der Mittelkonsole. Da meine Frau die letzten 200 km vor dem Lagerschaden gefahren ist, ich im Scirocco hinterher, konnte ich schlecht das VDO Instrument im Blick haben. Ich mache ihr aber keinen Vorwurf.
Eher hätte diejenige Werkstatt, die vor einem Jahr eine Ölspülung gemacht hatte, als ich beim Starten keinen Öldruck hatte, nicht nur neues Öl einfüllen müssen, sonder auch gleich eine neue Ölpumpe einbauen. Das war wohl eine entscheidende Ursache für sen Lagerschaden im Mai.
Ist aber alles Schnee von Gestern!
-
Moin Markus!
Herzlich willkommen hier im Forum!
Ein schönes Cabrio hast du die an Land gezogen. Mögest du viel Freude dran haben.
Hier gibt’s, was du suchst:
Gerade bei #Kleinanzeigen gefunden.
Grüße Hartmuth
-
Den Umbau auf den größeren HBZ sollte/muss man beim Golf 2 ebenfalls machen wenn man auf 256er bzw 280er Bremse vorne umbaut !
Genau an diese Empfehlung habe ich mich gehalten!
Hab ich bei meinem PF ebenfalls so gemacht...der hat die 256er Bremse vorne verbaut ( original PF ebenfalls 239er Bremse )...dazu rundum Stahlflex für einen "sauberen" Druckpunkt.
Bin über die Kombination der 256er Bremse vorne, Scheibenbremse hinten und dem größeren HBZ sehr zufrieden. Zwar habe ich keine Stahlflex verbaut.
Aber, was noch nicht ist …
Hartmuth
-
die Schlauchverbindung zwischen Tankgeber und Vorförderpumpe ist die Schwachstelle, besonders nach vielen Jahren! Selbst Werkstätten übersehen Undichtigkeiten an dieser, wenn der ALU-Ring (Foto) verbaut ist:
Bei meinem blauen Cabrio hatte ich genau das bei einer Reparatur des gebrochenen Kabelschuhs am gelben Kabel. Die haben bei VW in Spandau lediglich den Kabelschuh erneuert, aber übersehen, dass der Schlauch an der Unterkante des ALU-Rings porös war. Auf der Rückfahrt blieb ich dann in Hannover endgültig liegen.
Bei vollem Tank hätte ich vermutlich noch fahren können.
Wir haben dann den ALU-Ring weggelassen und als Verbindung einen benzinresitenten Schlauch verwendet.
-
Wurde der P&P getauscht oder musste da was an den Leitungen nachgebogen werden?
Der Wechsel ging plug & play. Da musste nichts gebogen werden.
In dem Classicline ist seit ca. 10 Jahren die Bremsanlage des Scirocco 16V (vorne 54 Girling und hinten 36 Girling Bremssättel mit den passenden BDM) verbaut.
Ich hatte mit dem kleinerem HBZ den Eindruck, dass das Bremspedal sich etwas „weicher“ treten ließ, aber dafür der Pedalweg deutlich länger war. Jetz kommt das Ansprechen früher. Bei einer schärferen Bremsung benötige ich jetzt weniger Pedaldruck.
Bin mit dem Ergebnis sehrzufrieden.
-
Ich hoffe auch das beste und das er wirklich nicht lange lief bis die Erkenntnis kam das wirklich kein Öldruck da ist nicht nur die Hydros klappern.
Die Erkenntnis kam sehr schnell, da die Ölkontolle nicht ausging und auch der Öldruckmesser nichts anzeigte.
Heute war das Cabrio fertig. Ich habe erste Probefahrten gemacht. Läuft sehr gut. Alles im grünen Bereich.
Auch der Wechsel des Hauptbremszylinders von 22 auf einen 25 Hauptbremszylinder, der im gleichen Zuge eingebaut wurde, hat eine deutliche Verbesserung gebracht. Die Bremse spricht eher an und ich benötige - gefühlt -weniger Pedalkraft.
-
Alles anzeigen
Schon klar. Das Problem scheint ja gefunden und behoben jetzt.
Es ist nur unnötig und schade, das ein nagelneuer Motor "so lange" ohne Öldruck läuft bzw man nicht vorher Öldruck "per Hand" aufgebaut hat und dann so von vorne herein erkannt hätte, das da ein gravierendes Problem vorliegt !!!
Es sind ja spätere Folgeschäden nicht auszuschließen.
Das ist ärgerlich...für mich.
Nach der Aussage des Motorenbauers hat er den Motor vor der Auslieferung durchgedreht und Öldruck aufgebaut.
Nur nach dem Zusammen- und Einbau hatte der Motor keinen Öldruck. Der Motor lief beim Startversuch maximal ein paar Sekunden.
Ich hoffe natürlich, dass er keinen Schaden davongetragen hat.
-
-
Heute war ich mit dem Caddy unterwegs zur Fa. F.G.T. Oldtimer-Technik in Aerzen, die im vergangenen Jahr den Pierburg Vergaser instandgesetzt hatte, um noch Feineinstellungen an dem Vergaser vorzunehmen zu lassen. Unsere Werkstatt bekam den CO-Wert nicht vernünftig eingestellt. Hatten wohl auch keine Erfahrungen mit dem Vergaser.
Die Diagnose ergab, dass der Vergaser zu fett eingestellt war und dadurch nicht die Werte erfüllen konnte; außerdem war der Verteiler so eingestellt, dass der Zündzeitpunkt etwa 4 grad nach OT lag.
Herr Gürtler hat die Fehler schnell erkannt und beseitigt. Er und sein Mitarbeiter haben alles inklusive einer Probefahrt innerhalb einer Stunde erledigt.
Dafür herzlichen Dank!
Jetzt läuft der Motor wie ein Uhrwerk und braucht auch deutlich weniger Sprit! Er springt auf „Schlag“ an. Ein viel angenehmeres Fahren. Die 150km zu FGT haben sich auf jeden Fall gelohnt.
-
Beitrag verschoben zu
Das hat mich eure erfreut.
-
Heute habe ich einen Anruf von dem Meister meiner Werkstatt erhalten: Er hat herausgefunden, warum die Ölpumpe keinen Druck aufbaut. Offensichtlich hat das Zusammenspiel zwischen Verteiler und Ölpumpe nicht funktioniert. Letzteres kommt wohl ab und zu mal vor.
Jetzt bin ich natürlich erleichtert, dass sich das Problem erledigt hat. Der Motor läuft, wie er soll. Am Freitag kann ich das Cabrio abholen.
Was genau das Problem war, werde ich mir morgen mal erklären lassen.
Euch Dank für eure Beiträge.
-
Alles anzeigen
Wenns ne neue Pumpe war, auf jeden Fall vorher Öl einfüllen in die Pumpe. Wenn da Luft drin ist, tut sich die immer sehr schwer das Öl hochzusaugen.
Sonst ist mit der Bohrmaschine vorpumpen bevor der Zahnriemen drauf ist immer ratsam. Geht eingebaut aber eher schwer.
Steuerkolben:
Der Regelkolben kann hängen, besonders wenns die alte pumpe war ind Späne drin sind von den defekten lagern.... So wie bei mir, da warens dann 15bar Druck im Leerlauf bis der Filter platzt.

Aber dass da 0bar anliegen? Da müsste der ja quasi rausgefallen sein.
Es ist eine neue Ölpumpe drin.
wir werden das prüfen.
-
wie du weißt, hätte ich noch ein paar Bremsdruckminderer griffbereit liegen. Die hattest du ja schon einmal von mir erworben, mir dann aber zurückgegeben, weil der Fehler eine andere Ursache hatte.
Merkwürdig, dass dein neues Cabrio nun die gleichen Probleme mit der Bremse macht.
LG
-
Der Motor wurde gestern eingebaut. Heute wurde alles angeschlossen und alle Flüssigkeiten aufgefüllt.
Dann erfolgte ein erster Startversuch. Der Motor springt sofort an, allerdings baut sich kein Öldruck auf.
Die Vermutung ist, dass sich bei der Öldruckpumpe ein Überdruckventil geschlossen haben könnte, was nach Auskunft des Motorenbauers gelegentlich passieren kann. Das heißt, eine neue Ölpumpe besorgen und einbauen. Dann wissen wir mehr.
Wollen wir hoffen, dass es damit getan ist.
-
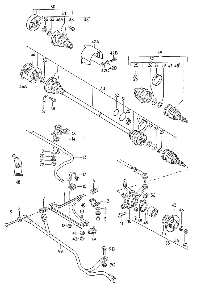
Heute konnte ich mich davon überzeugen, dass der überholte Motor in mein Cabrio gewandert ist. Zunächst einmal werden die Antriebswellen wieder angebaut.
Auch gilt es alle Leitungen und Kabel wieder anzuschließen.
Ich wusste garnicht, dass die Querlenkerstütze [155407211] beim Automatikgetriebe nur angebaut werden kann, wenn die Motorstützen vorne und hinten noch nicht angebracht sind, und der lange Bolzen vom linken Dreieckslenker schon drin ist. Der Platz zum Getriebe ist zu gering, um den Bolzen nach dem Einbau der Motorlager einzuführen.
Wenn alles gut läuft, ind die Werkstatt nicht allzu viele andere Aufträge abarbeiten muss, dann sollte mein Classicline am Ende der Woche wieder komplett sein.
-
-
-
Das ich den linken Arm nicht mehr bis auf Schulterniveau heben kann und die betroffene Seite auch so ziemlich weh tut, ist bei der Sanierung meiner Küchenmöbel für den Bus sehr sehr nervig und hinderlich...
LG
Clemens
Dann erst einmal gute Besserung!