Hallo Zusammen,
bei meinem 2H blinkt die Kühlmittelanzeige am Anfang wenn ich den Motor starte, wenn ich dann ein paar Kilometer gefahren bin und ihn aus und wieder an mache bleibt sie aus.
Kann das trotzdem das Kondensator Problem sein?
Kühlmittel ist natürlich genug drin.
Kühlmittelanzeige blinkt beim ersten Start
-
-
Der Zeiger geht aber?
Normal blinkt die LED immer beim einschalten der Zündung.
-
Zeiger geht und die blinkt bis ich dann nach der 1. Fahrt den Motor abstelle.
-
Ich würde mal manuell vorne den Stecker brücken (also vom Sensor abziehen und eine Drahtbrücke rein). Wenn das Problem noch besteht, dann Richtung Leitungssatz und Tacho weitersuchen.
-
Ok, das ist der Schwimmerschalter am Ausgleichsbehälter oder?
-
Genau

-
Ok, das ist der Schwimmerschalter am Ausgleichsbehälter oder?
Ja. Und brücken kannst du ihn mit einer Büroklammer.
-
Bin gestern leider nicht dazu gekommen, ist mir erst eingefallen als ich schon losgefahren war.
Aber danach kann ich das nicht mehr prüfen, weil der Fehler ja dann weg ist.
Aber ich werde berichten -
Habs jetzt endlich geschafft, leider blinkt die Anzeige weiter wenn ich die Kontakte brücke.
Hat noch jemand eine Idee? Kann das der Kondensator sein? Dann müsste ich den Tacho wieder komplett zerlegen
-
Habe hier das gleiche Problem wie du, Kühlwasseranzeige funktioniert, LED blinkt. Dann nach ein bisschen fahren, Motor aus, wieder Motor an. LED blinkt nicht mehr.
Jedoch immer: LED schaltet sich bei Zündung nie aus und blinkt. Soweit ich weiß sollte die LED nach ein paar Sekunden mit Zündung aus gehen.
Überbrücken macht keinen Unterschied und LED blinkt weiter.
-
Wenn ihr den sensor schon gebrückt habt, und das relais42/43 testweise getauscht habt, bleibt fast nur die Anzeige.
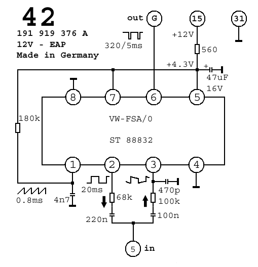
Meist ist da der Kondensator hin, neben den üblichen gebrochenen lötstellen.
Das kleine platinchen muss aus der Anzeige raus um den Kondensator zu tauschen.
-
Und manchmal reicht es, die Mutter auf der Kontaktfolie zu lösen, mit Scotch sauber machen und wieder ordentlich verschrauben. Ist nicht selten das Problem.
-
was kommt da denn für ein Kondensator rein?
Bei mir blinkt sie unregelmässig, aber nachlöten, sensortausch haben bisher keine besserung gebracht
-
Elko 10uF 16V 105°C würd gehen.
Möglichst klein sollt er sein, sonst wirds da echt eng.
-
super danke

hat jemand ein Bild von hinten? soweit ich weiss ist der auf der Rückseite der platine?
-
-
-
Danke für die Rückmeldungen

Ich bin heute dem Problem glaube ich etwas näher gekommen!
Ich habe das Relais 42 gezogen und mir ist aufgefallen dass es an der Zentralelektrik teilweise feucht war, nach dem ich alles getrocknet habe und war die Probefahrt ohne Blinkende LED, ich bin zuversichtlich dass es daran lag

Jetzt ist nur die Frage woher das Wasser kommt? Es war klares wasser, kein Kühlmittel - eigentlich kann es ja nur durch den Scheibenrahmen kommen, oder?
-
eigentlich kann es ja nur durch den Scheibenrahmen kommen, oder?
Würde passen von der Position her. Heb doch mal das Scheibengummu aussen im Bereich der Rundung hoch. Bei mir war das auf der Beifahrerseite so...
-
an der Beifahrerseite hab ich leichte blasen unterm gummi, FS sieht eigentlich ganz gut aus, aber man sieht ja nicht alles...
Wollte die Scheibe wegen dem Rost im kommenden Winter eh mal rausnehmen..